Megrendelő: Mészáros és Mészáros Kft.
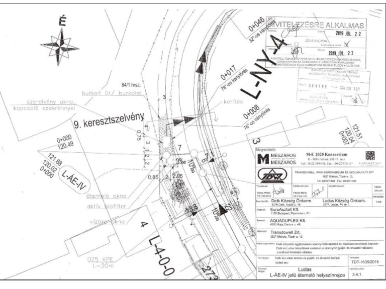
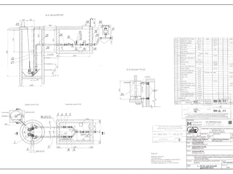
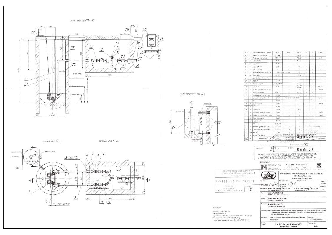
Az elvégzett munka leírása: Ludas településen létesítendő 7 db közterületi szennyvízátemelő építési munkálatai
A kivitelezés ideje: 2019–2021
A kivitelezés képekben
Átadási dokumentáció
Az átadási dokumentáció pdf formátumban készül, amelyet ide kattintva megtekinthet.






































